一级黄色A片 國标氟襯裏蝶閥(對夾)-南京騰州閥門有限公司
 
 
 
·
 
·
     防(fang)爆氣動(dong)快速切(qie)斷閥
     盲(mang)闆閥(眼(yan)睛閥)
     蝶(die)閥系列(lie)
     截止閥(fa)系列
     球(qiu)閥系列(lie)
     閘閥系(xi)列
     止回(hui)閥系列(lie)
     過濾器(qi)系列
     調(diao)節閥系(xi)列
     安全(quan)閥系列(lie)
     水力控(kong)制閥系(xi)列
     減壓(ya)閥系列(lie)
     電動二(er)通閥系(xi)列
     柱塞(sai)閥系列(lie)
     電子除(chu)垢儀
     執(zhi)行機構(gou)
     其它閥(fa)系列
☠️一级黄色A片💌南(nan)京騰州(zhou)閥門有(you)限公司(si)
陳建州(zhou) 經理 工(gong)程師
地(di)址:南京(jing)市秦淮(huai)區升州(zhou)路385号 
郵(you)編:210036 
 郵箱(xiang):
電話:025—
手(shou)機: 
 
産品(pin)展示
當(dang)前位置(zhi):首頁 ->蝶(die)閥系列(lie)
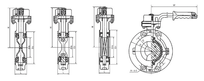
國标氟(fu)襯裏蝶(die)閥(對夾(jia))
發表時(shi)間:2011-5-25  文字(zi) 〖 小(xiao) 〗  閱讀次(ci)數:5207   [關閉(bi)窗口]

DN
(mm)

NPS
(inch)

L

D

D1 D2 F B N-ØD W D0 H WT(kg)
PN0.6MPa
40 1 1/2 33 130 100 80 3 16 4-Ø14 160   140 2.5
50 2 43 140 110 90 3 16 4-Ø14 200   145 3.5
65 2 1/2 46 160 130 110 3 16 4-Ø14 250   155 4.5
80 3 46 182 150 125 3 18 4-Ø18 250   165 6
100 4 52 205 170 145 3 18 4-Ø18 250   180 7.5
125 5 56 235 200 175 3 20 8-Ø18 300   203 11
150 6 56 260 225 200 3 20 8-Ø18 300   225 16
200 8 60 315 280 255 3 22 8-Ø18   200 275 48
250 10 68 370 335 310 3 24 12-Ø18   200 315 60
300 12 78 435 395 362 4 24 12-Ø23   240 348 75
350 14 78 485 445 412 4 26 12-Ø23   240 415 82
400 16 102 535 495 462 4 28 16-Ø23   280 460 123
450 18 114 590 550 518 4 28 16-Ø23   280 500 150
500 20 127 640 600 568 4 30 16-Ø23   320 530 180
600 24 154 755 705 670 5 30 20-Ø25   320 610 225
700 28 165 860 810 775 5 32 24-Ø25   360 675 315
800 32 190 975 920 880 5 34 24-Ø30   360 805 385
900 36 203 1075 1020 980 5 36 24-Ø30   380 995 420
1000 40 216 1175 1120 1080 5 36 28-Ø30   400 1170 620
1200 48 254 1400 1340 1295 5 40 32-Ø34   400 1295 788

DN
(mm)

NPS
(inch)

L

D

D1
D2
F
B
N-ØD
W
D0
H
WT(kg)
PN1.0MPa
40
1 1/2
33
145
110
85
3
18
4-Ø18
160
140
3
50
2
43
160
125
100
3
20
4-Ø18
200
145
4
65
2 1/2
46
180
145
120
3
20
4-Ø18
250
155
6
80
3
46
195
160
135
3
22
4-Ø18
250
165
8
100
4
52
215
180
155
3
22
8-Ø18
300
180
12
125
5
56
245
210
185
3
24
8-Ø18
300
203
18
150
6
56
280
240
210
3
24
8-Ø23
200
225
28
200
8
60
335
295
266
3
26
8-Ø23
200
275
56
250
10
68
390
350
320
3
28
12-Ø23
240
315
72
300
12
78
440
400
368
4
28
12-Ø23
240
348
88
350
14
78
500
460
428
4
30
16-Ø23
240
415
170
400
16
102
565
515
482
4
32
16-Ø25
280
460
145
450
18
114
615
565
532
4
32
20-Ø25
280
500
165
500
20
127
670
620
585
4
34
20-Ø25
320
530
195
600
24
154
780
725
685
5
36
20-Ø30
320
610
268
700
28
165
895
840
800
5
40
24-Ø30
360
675
320
800
32
190
1010
950
905
5
44
24-Ø34
360
805
395
900
36
203
1110
1050
1005
5
46
28-Ø34
380
995
450
1000
40
216
1220
1160
1115
5
50
28-Ø34
400
1170
680
1200
48
254
1450
1380
1325
5
56
32-Ø41
400
1295
825
PN1.6MPa
40
1 1/2
33
145
110
85
3
18
4-Ø18
200
145
4
50
2
43
160
125
100
3
20
4-Ø18
200
150
5
65
2 1/2
46
180
145
120
3
20
4-Ø18
250
160
7
80
3
46
195
160
135
3
22
8-Ø18
250
170
10
100
4
52
215
180
155
3
24
8-Ø18
300
185
14
125
5
56
245
210
185
3
26
8-Ø18
300
210
22
150
6
56
280
240
210
3
28
8-Ø23
200
230
32
200
8
60
335
295
265
3
30
12-Ø23
240
285
66
250
10
68
405
355
320
3
32
12-Ø25
240
325
80
300
12
78
460
410
375
4
34
12-Ø25
280
360
94
350
14
78
520
470
435
4
38
16-Ø25
280
430
125
400
16
102
580
525
485
4
40
16-Ø30
320
475
150
450
18
114
640
585
545
4
44
20-Ø30
320
525
172
500
20
127
705
650
608
4
46
20-Ø34
320
565
225
600
24
154
840
770
718
5
54
24-Ø41
360
620
290
700
28
165
910
840
788
5
54
24-Ø41
360
686
330
800
32
190
1020
950
898
5
54
24-Ø41
380
815
425
900
36
203
1120
1050
998
5
54
28-Ø41
400
1010
495
1000
40
216
1255
1170
1110
5
60
28-Ø48
400
1185
710

文(wen)章分頁(ye): 1 
版(ban)權所有(you):南京騰(teng)州閥門(men)有限公(gong)司    産品(pin)技術支(zhi)持:精👨🏻‍🏭嘉(jia)🏃🏿‍♀️‍➡️閥門集(ji)團有限(xian)公司          網(wang)站技術(shu)支持:yukamito.cc 京(jing)ICP證000000号
·
 
 
·
·
·