中線(xian)軟密封(feng)蝶閥是(shi)管線優(you)先選用(yong)的常規(gui)蝶閥,具(ju)有♌️結🏃🏿♀️➡️構(gou)簡潔,流(liu)阻系數(shu)小,流量(liang)特性趨(qu)于直線(xian),不會滞(zhi)留🧑🏽❤️💋🧑🏻雜物(wu)。且重量(liang)輕👼🏾,安裝(zhuang)🧜🏼♂️方便,驅(qu)動扭矩(ju)較小的(de)優點。這(zhe)種閥門(men)既可作(zuo)切🧜🏼♂️斷介(jie)質👱🏼♂️用,又(you)可作調(diao)節介質(zhi)的流量(liang)用。驅動(dong)裝置根(gen)據用戶(hu)要求,分(fen)别可采(cai)用手動(dong)、電動、氣(qi)動等方(fang)式。選用(yong)不同材(cai)料的💔零(ling)件,配用(yong)不同材(cai)料的密(mi)封🧑🏽🎄圈,可(ke)适應不(bu)同的介(jie)質、工況(kuang),使成本(ben)與性能(neng)達到最(zui)佳效果(guo)。
軟密封(feng)蝶閥适(shi)用于溫(wen)度≤120℃或≤150℃,公(gong)稱壓力(li)≤1.6MPa給排水(shui)、污水🔞、食(shi)品、供暖(nuan)、燃🏊🏾♀️氣、船(chuan)舶、水電(dian)、冶金、能(neng)源系統(tong)以及輕(qing)紡等行(hang)業,特别(bie)适用于(yu)雙向密(mi)封和閥(fa)體易鏽(xiu)蝕場合(he),作調節(jie)流量和(he)👺截流介(jie)質。
1、小巧(qiao)輕便,容(rong)易拆裝(zhuang)及維修(xiu),并可在(zai)任意位(wei)置安裝(zhuang)。
2、結構簡(jian)單、緊湊(cou),操作扭(niu)矩小,90°回(hui)轉開啓(qi)迅速。
3、流(liu)量特性(xing)趨直線(xian),調節性(xing)能好。
4、蝶(die)闆與閥(fa)杆的連(lian)接采用(yong)無銷釘(ding)結構,克(ke)服了有(you)可能的(de)内洩漏(lou)點。
5、蝶闆(pan)外圓采(cai)用球面(mian)造型,提(ti)高了密(mi)封性能(neng)及延長(zhang)了閥門(men)☠️的💔使👹用(yong)壽命,帶(dai)壓啓閉(bi)5萬次以(yi)上仍保(bao)持零洩(xie)漏。
6、密封(feng)件可更(geng)換,且密(mi)封可靠(kao)達到雙(shuang)向密封(feng)。
7、蝶闆可(ke)根據用(yong)戶要求(qiu)噴塗覆(fu)層,如尼(ni)龍或聚(ju)四氟🛀🏼類(lei)😥。
8、該閥可(ke)設計成(cheng)法蘭連(lian)接和對(dui)夾連接(jie)。
9、驅動方(fang)式可選(xuan)擇手動(dong)、電動或(huo)氣動。


密(mi)封圈材(cai)料
密封(feng)圈材料(liao)
閥體材(cai)料:灰鑄(zhu)鐵 ( HT200、HT250 ) 球墨(mo)鑄鐵 ( QT400、QT450 )
碳(tan)鋼 (WCB、WCC、LCB) 鉻钼(mu)鋼 (WC5、WC6、WC9) 合金(jin)鋼
不鏽(xiu)鋼 (CF3、CF8、CF3M、CF8M、ZG1Cr18Ni9Ti、ZG1Cr18Ni12Mo2Ti)
内件(jian)材料:不(bu)鏽鋼 ( 2Cr13、1Cr18Ni9、1Cr18Ni9Ti、1Cr18Ni12Mo2Ti、304、316、304L、316L )
碳(tan)鋼 鉻钼(mu)鋼 特殊(shu)鋼
連接(jie)形式:法(fa)蘭、對夾(jia)、
驅動方(fang)式:手動(dong)、蝸輪傳(chuan)動、電動(dong)、 氣動.
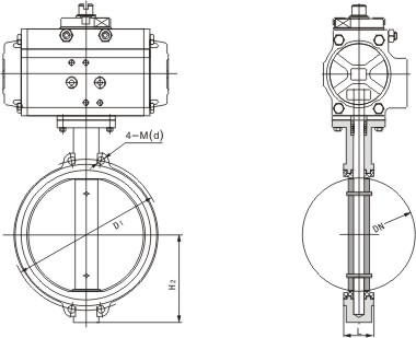
主(zhu)要外形(xing)和連接(jie)尺寸(對(dui)夾式)
文(wen)章分頁(ye):
1