日韩免费视频 V型調節球閥-南京騰州閥門有限公司
 
 
·
     防爆氣動(dong)快速切斷(duan)閥
     盲闆閥(fa)(眼睛閥)
     蝶(die)閥系列
     截(jie)止閥系列(lie)
     球閥系列(lie)
     閘閥系列(lie)
     止回閥系(xi)列
     過濾器(qi)系列
     調節(jie)閥系列
     安(an)全閥系列(lie)
     水力控制(zhi)閥系列
     減(jian)壓閥系列(lie)
     電動二通(tong)閥系列
     柱(zhu)塞閥系列(lie)
     電子除垢(gou)儀
     執行機(ji)構
     其它閥(fa)系列
南京(jing)騰州閥門(men)有限公💌日韩免费视频🏊🏾‍♀️司(si)
陳建州 經(jing)理 工程師(shi)
地址:南京(jing)市秦淮區(qu)升州路385号(hao) 
郵編:210036 
 郵箱(xiang):
電話:025—
手機(ji): 
 
産品展示(shi)
當前位置(zhi):首頁 ->球閥(fa)系列
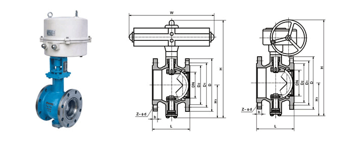
V型調(diao)節球閥
發(fa)表時間:2011-5-26  文(wen)字 〖 小(xiao) 〗  閱讀次數(shu):4958   [關閉窗口(kou)]
 

公稱通經(jing)DN

主要外形(xing)尺寸和連(lian)接尺寸(mm) H H1 W WT(kg)
L D D1 D2 B Z-ØD VQ347 VQ647 VQ947 VQ347 VQ647 VQ947
VQ347M-16C VQ347M-16P VQ647M-16C VQ647M-16P VQ947M-16C VQ947M-16P
50 124 165 125 100 16 4-Ø18 225 248 365 92 400 11 13 16
65 145 186 145 120 18 4-Ø18 235 255 375 100 400 13 15 18
80 165 200 160 135 20 8-Ø18 260 270 380 108 400 15 17 20
100 194 220 180 155 20 8-Ø18 270 278 390 117 400 17 19 23
125 210 250 210 185 22 8-Ø18 320 335 405 140 455 22 25 28
150 229 285 240 210 22 8-Ø23 340 358 420 177 455 30 36 40
200 243 340 295 265 24 12-Ø23 390 405 510 200 700 60 68 75
250 297 405 355 320 26 12-Ø26 420 449 540 252 700 90 100 110
300 338 460 410 375 28 12-Ø26 510 550 605 270 700 180 205 207
VQ347M-25C VQ347M-25P VQ647M-25C VQ647M-25P VQ947M-25C VQ947M-25P
50 124 165 125 100 20 4-Ø18 225 248 365 92 400 11 13 16
65 145 186 145 120 22 8-Ø18 235 255 375 100 400 13 15 18
80 165 200 160 135 22 8-Ø18 260 270 380 108 400 15 17 20
100 194 230 190 160 24 8-Ø23 270 278 390 117 400 18 22 25
125 210 270 220 188 26 8-Ø26 320 335 405 140 455 23 26 32
150 229 300 250 218 28 8-Ø26 340 358 420 177 455 40 56 60
200 243 360 310 278 30 12-Ø23 390 405 510 200 700 62 70 79
250 297 425 370 332 32 12-Ø30 420 449 540 252 700 93 105 120
300 338 485 430 390 36 16-Ø30 510 550 605 270 700 190 220 225

文(wen)章分頁: 1 
版權所有(you):南京騰州(zhou)閥門有限(xian)公司    産品(pin)技術支持(chi)😮‍💨:精💯嘉閥門(men)🙂‍↕️集團有限(xian)公司          網站(zhan)技術支持(chi):yukamito.cc 京ICP證000000号
·
·
·
··
·
·