久久发布国产伦子伦精品 鍛鋼截止閥-南京騰州閥門有限公司
·
· 
·
 
··
·
     防爆氣動(dong)快速切斷(duan)閥
     盲闆閥(fa)(眼睛閥)
     蝶(die)閥系列
     截(jie)止閥系列(lie)
     球閥系列(lie)
     閘閥系列(lie)
     止回閥系(xi)列
     過濾器(qi)系列
     調節(jie)閥系列
     安(an)全閥系列(lie)
     水力控制(zhi)閥系列
     減(jian)壓閥系列(lie)
     電動二通(tong)閥系列
     柱(zhu)塞閥系列(lie)
     電子除垢(gou)儀
     執行機(ji)構
     其它閥(fa)系列
😸久久发布国产伦子伦精品✍🏻南京(jing)騰州閥門(men)有限公司(si)
陳建州 經(jing)理 工程師(shi)
地址:南京(jing)市秦淮區(qu)升州路385号(hao) 
郵編:210036 
 郵箱(xiang):
電話:025—
手機(ji): 
 
産品展示(shi)
當前位置(zhi):首頁 ->截止(zhi)閥系列
鍛(duan)鋼截止閥(fa)
發表時間(jian):2011-5-26  文字 〖 中(zhong) 〗  閱讀次(ci)數:5047   [關閉窗(chuang)口]

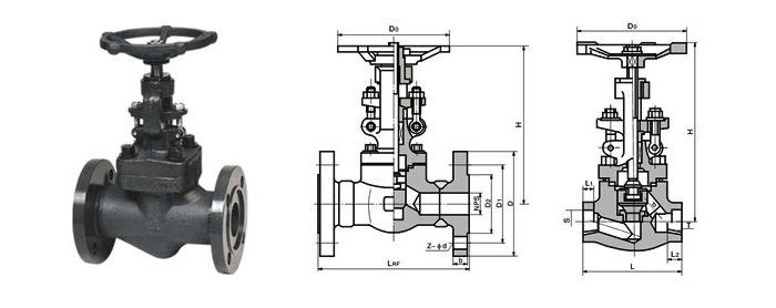
公稱通(tong)經DN

主要外(wai)形尺寸和(he)連接尺寸(cun)(mm) WT
(kg)
L D S L1 T L2 H DO
J41H-16 J41H-25 J41H-40 J11H-16C J11H-25 J11H-40 J61H-16C J61H-25 J61H-40
15 90 13 22.5 10 1/2 15 159 98 6.9
20 100 18 28.5 11 3/4 17 190 112 9.8
25 120 23 34.5 12 1 19 208 126 13.5
32 140 29 43 14 1 1/4 21 216 166 19.5
40 170 36 49 15 1 1/2 21 247 188 28.5
50 200 46 61 16 2 25 290 220 30.3
J41H-64 J11H-64 J61H-64
15 90 13 22.5 10 1/2 15 159 98 7.7
20 100 18 28.5 11 3/4 17 190 112 11.3
25 120 23 34.5 12 1 19 208 126 16.8
32 140 29 43 14 1 1/4 21 216 166 21.2
40 170 36 49 15 1 1/2 21 258 188 32.6
50 210 46 61 16 2 25 405 220 35

公稱通經(jing)DN

主要外形(xing)尺寸和連(lian)接尺寸(mm) WT
(kg)
L D S L1 T L2 H DO
J41Y-100 J11Y-100 J61Y-100
15 90 13 22.5 10 1/2 15 159 98 7.8
20 100 18 28.5 11 3/4 17 190 112 12.5
25 120 23 34.5 12 1 19 208 126 17.5
32 140 29 43 14 1 1/4 21 216 166 23.5
40 170 36 49 15 1 1/2 21 258 188 38.5
50 200 46 61 16 2 25 405 220 42.2
J41H-64 J11H-64 J61H-64
15 90 13 22.5 10 1/2 15 159 98 8.2
20 100 18 28.5 11 3/4 17 190 112 13.8
25 120 23 34.5 12 1 19 208 126 18.5
32 140 29 43 14 1 1/4 21 216 166 25.5
40 170 36 49 15 1 1/2 21 258 188 41.5
50 210 46 61 16 2 25 405 220 49


文(wen)章分頁: 1 
版權所有(you):南京騰州(zhou)閥門有限(xian)公司    産品(pin)技術支持(chi):精嘉閥門(men)集團有限(xian)公司          網站(zhan)技術支持(chi):yukamito.cc 京ICP證000000号
·
·
 
·
·