免费AV网站 DGWX蝸輪(D381X)溝槽式蝶閥-南京騰州閥門有限公司
·
·
 
·
·
·
  
     防爆氣動(dong)快速切斷(duan)閥
     盲闆閥(fa)(眼睛閥)
     蝶(die)閥系列
     截(jie)止閥系列(lie)
     球閥系列(lie)
     閘閥系列(lie)
     止回閥系(xi)列
     過濾器(qi)系列
     調節(jie)閥系列
     安(an)全閥系列(lie)
     水力控制(zhi)閥系列
     減(jian)壓閥系列(lie)
     電動二通(tong)閥系列
     柱(zhu)塞閥系列(lie)
     電子除垢(gou)儀
     執行機(ji)構
     其它閥(fa)系列
南👯🏾‍♂️免费AV网站👽京(jing)騰州閥門(men)有限公司(si)
陳建州 經(jing)理 工程師(shi)
地址:南京(jing)市秦淮區(qu)升州路385号(hao) 
郵編:210036 
 郵箱(xiang):
電話:025—
手機(ji): 
 
産品展示(shi)
當前位置(zhi):首頁 ->蝶閥(fa)系列
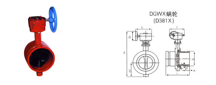
DGWX蝸輪(lun)(D381X)溝槽式蝶(die)閥
發表時(shi)間:2011-5-25  文字 〖 大(da) 〗  閱讀(du)次數:4309   [關閉(bi)窗口]

一、結(jie)構特點用(yong)途:
  溝槽式(shi)(卡箍)連接(jie)閥門是引(yin)進美國與(yu)德國同類(lei)先進産品(pin)而設💔計制(zhi)造的一系(xi)列新型連(lian)接閥門。它(ta)具有安裝(zhuang)快速、簡🏃🏻‍♀️易(yi)、安全、可靠(kao)、不受安裝(zhuang)場地限制(zhi)、便于管道(dao)與閥門的(de)維修保養(yang),有隔振隔(ge)🧑🏾‍🎄音與一定(ding)的角度範(fan)圍内有克(ke)服管道連(lian)接不同軸(zhou)而😁産生仿(pang)差,解決溫(wen)差所産生(sheng)熱脹冷縮(suo)等優點。
  廣(guang)泛應用于(yu)輸送流體(ti)管道的給(gei)排水,消防(fang)、空調、燃💁🏼‍♀️氣(qi)、石💘油、化工(gong)、水處理、市(shi)政、造船等(deng)管道工程(cheng)作爲控制(zhi)流體作用(yong)。

二、主要技(ji)術參數:

公(gong)稱壓力

1.O

1.6

2.5

試(shi)驗壓力

殼(ke)體強度

1.5

2.4

3.75

密(mi)封性能

1.1

1.76

2.75

适(shi)用介質

産(chan)品類型

鑄(zhu)鐵、球墨鑄(zhu)鐵

碳鋼(gang)

不鏽鋼

适(shi)用介質

水(shui)、水蒸汽、油(you)品、空氣

水(shui)、水蒸汽

水(shui)、水蒸汽、油(you)品、空氣

硝(xiao)酸類

工作(zuo)溫度

密封(feng)面材質

橡(xiang)膠

乙腈橡(xiang)膠

乙丙橡(xiang)膠

氟橡膠(jiao)

聚四氟塑(su)料

不鏽(xiu)鋼

工作溫(wen)度

≤60

≤80

≤250

≤250

≤200

≤200

≤200


  三、主要(yao)零件材料(liao):

産品類型(xing)

材質

閥體(ti)

閥闆

閥軸(zhou)

密封面

鑄(zhu)鐵

HT200

球鐵、碳(tan)鋼、噴塗或(huo)不鏽鋼

鉻(ge)不鏽鋼

不(bu)鏽鋼或銅(tong)

橡膠NBR、丁晴(qing)橡膠NBR、乙丙(bing)EPOM、氟橡膠PTFE、聚(ju)四氟塑料(liao)F46

球墨鑄鐵(tie)

QT450

球鐵、碳鋼(gang)、噴塗或不(bu)鏽鋼

鉻不(bu)鏽鋼

不鏽(xiu)鋼或銅

銅(tong)

銅或不(bu)鏽鋼

鉻不(bu)鏽鋼

碳(tan)鋼

WCB

球鐵、碳(tan)鋼、噴塗或(huo)不鏽鋼

鉻(ge)不鏽鋼

不(bu)鏽鋼或銅(tong)

不鏽鋼

1Crl8Ni9T1(304)

不(bu)鏽鋼

不鏽(xiu)鋼

不鏽鋼(gang)


  四、主要外(wai)形及連接(jie)尺寸:

公稱(cheng)通徑

50

65

80

100

125

150

200

250

300

350

400

450

500

600

-

D

57

60

76

89

108

114

133 140

159 165 168

219

273

325

377

426

480

530

630

SJKD3型

A1

14.5

14.5

14.5

16

16

16

19

19

19

25

25

25

25

25

-

B1

9.5

9.5

9.5

9.5

9.5

9.5

13

13

13

13

13

13

13

13

-

C

2.2

2.2

2.2

2.2

2.2

2.2

2.5

2.5

3.3

3.3

5.5

5.5

55

55

-

D381X

D81X

L

88

90

96

115

-

132

147

159

165

165

170

180

190

210

-

H1

60

75

80

94

-

125

150

220

250

265

300

330

350

410

-

Ho

220

245

270

300

-

350

400

600

740

765

875

940

995

1130

-

E

245

245

245

245

-

245

260

260

330

330

425

425

425

425

-

F

65

65

65

65

-

65

90

125

180

190

5210

210

210

210

-

Do

120

120

120

120

-

140

140

140

240

280

320

320

350

350

SJKD3型(xing)


文章分頁(ye): 1 
版權(quan)所有:南京(jing)騰州閥門(men)有限公司(si)    産品技術(shu)支持👩🏽‍🐰‍👩🏿:精嘉(jia)閥門集團(tuan)有限公司(si)          網站技術(shu)支持:yukamito.cc 京ICP證(zheng)000000号
··
 
·