av在线免费播放 氣動薄膜調節閥-南京騰州閥門有限公司
·
·
 
     防(fang)爆氣動(dong)快速切(qie)斷閥
     盲(mang)闆閥(眼(yan)睛閥)
     蝶(die)閥系列(lie)
     截止閥(fa)系列
     球(qiu)閥系列(lie)
     閘閥系(xi)列
     止回(hui)閥系列(lie)
     過濾器(qi)系列
     調(diao)節閥系(xi)列
     安全(quan)閥系列(lie)
     水力控(kong)制閥系(xi)列
     減壓(ya)閥系列(lie)
     電動二(er)通閥系(xi)列
     柱塞(sai)閥系列(lie)
     電子除(chu)垢儀
     執(zhi)行機構(gou)
     其它閥(fa)系列
南(nan)京騰州(zhou)閥🏊🏾‍♀️av在线免费播放😍門有(you)限公司(si)
陳建州(zhou) 經理 工(gong)程師
地(di)址:南京(jing)市秦淮(huai)區升州(zhou)路385号 
郵(you)編:210036 
 郵箱(xiang):
電話:025—
手(shou)機: 
 
産品(pin)展示
當(dang)前位置(zhi):首頁 ->調(diao)節閥系(xi)列
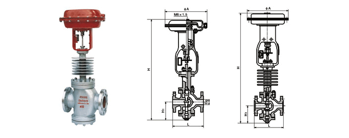
氣動(dong)薄膜調(diao)節閥
發(fa)表時間(jian):2011-5-26  文字 〖 大(da) 〗  閱(yue)讀次數(shu):5188   [關閉窗(chuang)口]

公稱(cheng)通徑DN

L ZMAP型(xing)
Type
ZMAP型
Type
ØA 輸出(chu)壓力 額(e)定流量(liang)系數C
單(dan)座 雙座(zuo)
PN1.6
(MPa)
PN6.4
(MPa)
H H1 H H 1 0.2 0.4 0.2 0.4 單座 雙(shuang)座
常溫(wen)型 散熱(re)型 常溫(wen)型 散熱(re)型 允許(xu)壓蓋 允(yun)許壓蓋(gai)
20 180 190 654 799 93 - - - 280 13 27 - - 1.2-5 -
25 185 205 669 725 110 679 785 117 8 16 54 64 8 10
32 200 220 680 786 120 684 790 120 5 11 44 64 12 16
40 220 240 754 854 130 774 874 138 325 5 10 46 64 20 25
50 250 265 785 885 145 785 885 144 3 6 38 64 32 40
65 275 295 991 1138 180 1011 1158 188 410 3 6 47 64 50 63
80 305 325 1008 1162 190 1042 1196 208 2 4 36 64 80 100
100 350 370 1015 1169 195 1065 1210 220 1.2 2.4 28 56 120 160
125 410 440 1268 1461 240 1318 1501 267 495 1.2 2.4 37.5 64 200 250
150 450 475 1286 1469 250 1340 1523 278 0.8 1.6 27 54 280 400
200 550 570 1363 1546 290 1423 1660 320 0.8 1 21.5 43 450 630

特點:

  1. 單(dan)座調節(jie)閥:具有(you)易密封(feng),洩露量(liang)少的特(te)點,但不(bu)平衡力(li)較大🤑,故(gu)工作壓(ya)差不宜(yi)過高。
  2. 雙(shuang)座調節(jie)閥:具有(you)額定流(liu)量系數(shu)大,不平(ping)衡力小(xiao)等優點(dian),因而被(bei)廣泛應(ying)用。

文章(zhang)分頁: 1 
版(ban)權所有(you):南京騰(teng)州閥門(men)有限公(gong)司    産品(pin)技術支(zhi)持:精嘉(jia)閥門集(ji)團有限(xian)公司          網(wang)站技術(shu)支持:yukamito.cc 京(jing)ICP證000000号
南京百(bai)度推廣(guang) 南京百(bai)度公司(si) 南京(jing)百 度總(zong)代理 提(ti)供建站(zhan)支持
·